Ziur Kft. -  Zárástechnika
Termékkategóriák
Ziur Kft. -  Zárástechnika
  • Termékkategóriák
    • ZÁRBETÉTEK
    • LAKATOK
    • NYERSKULCSOK
    • AJTÓZÁRAK
    • BÚTORZÁRAK
    • PÁNIKZÁRAK
    • AJTÓCSUKÓK
    • PÁNTOK, ZSANÉROK
    • KILINCSEK, AJTÓHÚZÓK
    • TOLÓAJTÓ VASALAT
    • AJTÓVASALATOK
    • BARKÁCSVASALAT
  • Jó tudni
  • Útmutató a JMA kulcskód fordító használatához
  • Letölthető tartalmak
  1. GLOBAL lenyomós pánikzár sorozat
  1. PÁNIKZÁRAK
  2. GLOBAL lenyomós pánikzár sorozat

GLOBAL PÁNIKZÁR GL2S 900 SZÜRKE

Cikkszám: 
1A520GL2S908GG
GLOBAL PÁNIKZÁR GL2S 900 SZÜRKE
GLOBAL PÁNIKZÁR GL2S 900 SZÜRKE
GLOBAL PÁNIKZÁR GL2S 900 SZÜRKE
GLOBAL PÁNIKZÁR GL2S 900 SZÜRKE
Raktáron
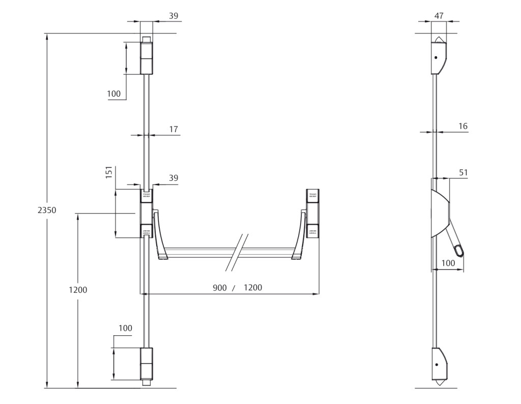
A Global pánikzár egy univerzálisan szerelhető, modern formatervezésű pánikzár. A GL2S Global pánikzár sorozat tagja: 2 pontos zárás, rászegzős szerelés. Alap megoldás egyszárnyú ajtóra vagy kétszárnyú ajtó aktív szárnyára. Több méretben és több színben elérhető. TESA termék.
Méret:
900
Típus:
2 pontos
KAPCSOLÓDÓ TERMÉKEK
Részletek

• rászegzős pánikzár
• 2 pontos zárás (alulra és felülre)
• egyszárnyú ajtókra vagy kétszárnyú ajtók aktív szárnyára
• max. 230 cm magas ajtókra
• max. 100 cm széles ajtókra
• ezüst színben
• EN 1125 : 3 7 6 B 1 3 2 2 A A
• tartós, 200.000 működési ciklus
• méretre vágható
• könnyen szerelhető
• átfordítható (nincs jobbos-balos)
• a keskeny talpak (151 x 39 x 51 mm) univerzálisan szerelhetővé teszik minden ajtóra
• 8 mm tengellyel
• üvegre is szerelhető megfelelő szerelőszettel
• mikrokapcsolóval is
• opciók: több szín, hosszabb változat szélesebb ajtószárnyakhoz, vagy külön vízszintes rúd, külön függőleges rúd
• külső oldali működtetés zárbetétes zárással: fél zárbetét igény szerinti típusból és méretben a MMODMBSCGR kilinccsel vagy az MMODPBSCGR forgatható gombbal
• külső oldali működtetés zárbetét nélkül : E1910 csak címke, vagy S1913 címke és kilincs
Szerelési Útmutató: GLOBAL_GL1S_2S_3S_szereles.pdf
Szerelési videó: GL2S-3S szerelési video

Vásárlói fiók
  • Belépés
  • Regisztráció
  • Profilom
  • Kedvenceim
Információk
  • Általános szerződési feltételek
  • Adatkezelési tájékoztató
  • Fizetés
  • Szállítás
  • Gyártóinkról
  • Cégünkről
  • Karrier

Ziur Kft. - Zárástechnika        Tel:+36-30-436-5533, +36-1-460-8166

Maradjunk kapcsolatban! Hírlevelünkben hasznos termék és üzleti információt találhat!

 




Ziur Kft. -  Zárástechnika

 





Feliratkozás
  • ZÁRBETÉTEK
  • LAKATOK
  • NYERSKULCSOK
  • AJTÓZÁRAK
  • BÚTORZÁRAK
  • PÁNIKZÁRAK
  • AJTÓCSUKÓK
  • PÁNTOK, ZSANÉROK
  • KILINCSEK, AJTÓHÚZÓK
  • TOLÓAJTÓ VASALAT
  • AJTÓVASALATOK
  • BARKÁCSVASALAT
  • Jó tudni
  • Útmutató a JMA kulcskód fordító használatához
  • Letölthető tartalmak
Belépés
Regisztráció
Adatkezelési beállítások
Weboldalunk az alapvető működéshez szükséges cookie-kat használ. Szélesebb körű funkcionalitáshoz (marketing, statisztika, személyre szabás) egyéb cookie-kat engedélyezhet. Részletesebb információkat az Adatkezelési tájékoztatóban talál.
A működéshez szükséges cookie-k döntő fontosságúak a weboldal alapvető funkciói szempontjából, és a weboldal ezek nélkül nem fog megfelelően működni. Ezek a sütik nem tárolnak személyazonosításra alkalmas adatokat.
A marketing cookie-kat a látogatók weboldal-tevékenységének nyomon követésére használjuk. A cél az, hogy releváns hirdetéseket tegyünk közzé az egyéni felhasználók számára (pl. Google Ads, Facebook Ads), valamint aktivitásra buzdítsuk őket, ez pedig még értékesebbé teszi weboldalunkat.
Az adatok névtelen formában való gyűjtésén és jelentésén keresztül a statisztikai cookie-k segítenek a weboldal tulajdonosának abban, hogy megértse, hogyan lépnek interakcióba a látogatók a weboldallal.
A személyre szabáshoz használt cookie-k segítségével olyan információkat tudunk megjegyezni, amelyek megváltoztatják a weboldal magatartását, illetve kinézetét.