Ziur Kft. -  Zárástechnika
Termékkategóriák
Ziur Kft. -  Zárástechnika
  • Termékkategóriák
    • ZÁRBETÉTEK
    • LAKATOK
    • NYERSKULCSOK
    • AJTÓZÁRAK
    • BÚTORZÁRAK
    • PÁNIKZÁRAK
    • AJTÓCSUKÓK
    • PÁNTOK, ZSANÉROK
    • KILINCSEK, AJTÓHÚZÓK
    • TOLÓAJTÓ VASALAT
    • AJTÓVASALATOK
    • BARKÁCSVASALAT
  • Jó tudni
  • Útmutató a JMA kulcskód fordító használatához
  • Letölthető tartalmak
  1. Becsavarós pántok
  1. PÁNTOK, ZSANÉROK
  2. Becsavarós pántok

NÉGYLÁBÚ PÁNT 495/20 WAS ZN

Cikkszám: 
3A1B4520ZNAI
NÉGYLÁBÚ PÁNT 495/20 WAS  ZN
NÉGYLÁBÚ PÁNT 495/20 WAS  ZN
NÉGYLÁBÚ PÁNT 495/20 WAS  ZN
NÉGYLÁBÚ PÁNT 495/20 WAS  ZN
Raktáron
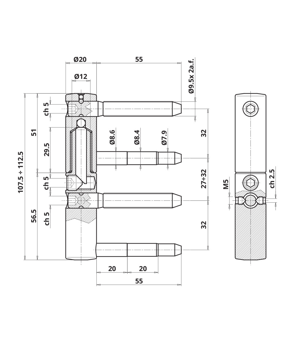
Leemelésgátló négylábú becsavarós pánt fa kifelé nyíló ajtókra. Többféle méretben, horganyzott felülettel. 3 irányban állítható. Többféle takaró külön rendelhető hozzá.
Méret:
Ø 16
Ø 20
Részletek
• négylábú ajtópánt
• horganyzott felület
• felszerelés után 3 irányban állítható
• A leemelésgátló funkcióhoz elég egy pontra a 495 WAS pántot felszerelni, a többi, az ajtó súlyát viselő pánt lehet sima is.
• A leemelésgátló állítási ponthoz csak az ajtó belső oldaláról lehet hozzáférni.
• a pánt átmérője 20 mm, a tengely átmérője 12 mm
• A tengely végében lévő golyó nagyban megkönnyíti a szárny elfordulását, kényelmes használatot biztosít a pánt élettartama folyamán.
• magassága 107,5 - 112,5 mm között állítható
• a felső rész magassága 51 mm, a karok 9,5 x 55 mm méretűek
• az alsó rész magassága 56,5 mm, a karok 9,5 x 45 mm méretűek
• felület vastagsága 12μ
• Az állító nyílások letakarására a kilincshez színben illeszkedő díszhüvely használata javasolt.
• teherbírás: max. 120 kg
• Jobb eredményt érhetünk el plusz pánt felszerelésével a felső harmadban.
Vásárlói fiók
  • Belépés
  • Regisztráció
  • Profilom
  • Kedvenceim
Információk
  • Általános szerződési feltételek
  • Adatkezelési tájékoztató
  • Fizetés
  • Szállítás
  • Gyártóinkról
  • Cégünkről
  • Karrier

Ziur Kft. - Zárástechnika        Tel:+36-30-436-5533, +36-1-460-8166

Maradjunk kapcsolatban! Hírlevelünkben hasznos termék és üzleti információt találhat!

 




Ziur Kft. -  Zárástechnika

 





Feliratkozás
  • ZÁRBETÉTEK
  • LAKATOK
  • NYERSKULCSOK
  • AJTÓZÁRAK
  • BÚTORZÁRAK
  • PÁNIKZÁRAK
  • AJTÓCSUKÓK
  • PÁNTOK, ZSANÉROK
  • KILINCSEK, AJTÓHÚZÓK
  • TOLÓAJTÓ VASALAT
  • AJTÓVASALATOK
  • BARKÁCSVASALAT
  • Jó tudni
  • Útmutató a JMA kulcskód fordító használatához
  • Letölthető tartalmak
Belépés
Regisztráció
Adatkezelési beállítások
Weboldalunk az alapvető működéshez szükséges cookie-kat használ. Szélesebb körű funkcionalitáshoz (marketing, statisztika, személyre szabás) egyéb cookie-kat engedélyezhet. Részletesebb információkat az Adatkezelési tájékoztatóban talál.
A működéshez szükséges cookie-k döntő fontosságúak a weboldal alapvető funkciói szempontjából, és a weboldal ezek nélkül nem fog megfelelően működni. Ezek a sütik nem tárolnak személyazonosításra alkalmas adatokat.
A marketing cookie-kat a látogatók weboldal-tevékenységének nyomon követésére használjuk. A cél az, hogy releváns hirdetéseket tegyünk közzé az egyéni felhasználók számára (pl. Google Ads, Facebook Ads), valamint aktivitásra buzdítsuk őket, ez pedig még értékesebbé teszi weboldalunkat.
Az adatok névtelen formában való gyűjtésén és jelentésén keresztül a statisztikai cookie-k segítenek a weboldal tulajdonosának abban, hogy megértse, hogyan lépnek interakcióba a látogatók a weboldallal.
A személyre szabáshoz használt cookie-k segítségével olyan információkat tudunk megjegyezni, amelyek megváltoztatják a weboldal magatartását, illetve kinézetét.